欢迎加入梅州生活网
亲,请登录
或
免费注册
|
联系客服
搜淘宝
搜京东
搜索
今日热搜:
间奏
撑住
讯号
大王
齐全
解码器
微信扫一扫
关注微信公众号
查券更方便
首页
9块9包邮
超级人气榜
品牌优惠券
淘宝优惠券
京东优惠券
拼多多券
优惠券头条
线报捡漏
今日:欧诗漫功效面膜 任选3盒29.9元
今日:6.5元,妮维雅 男士洗面奶100g
11月03日:快一件6元 - CK负离子加厚德绒打底内衣 任选拍3件19.9元
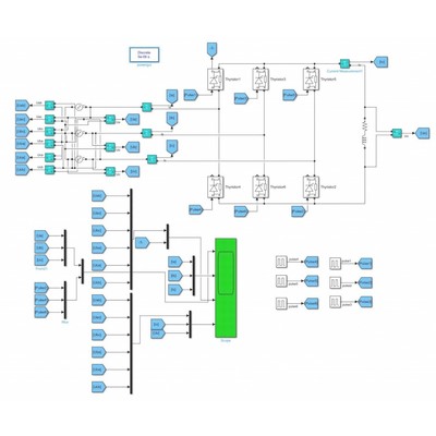
MATLAB/Simulink三相桥式全控整流电路彷真模型
8.42元
¥8.42
预计返¥ 1.26
活动结束时间:01-01 08:00
累计销量 :
0
件
TAG标签:
桥式
三相
整流
电路
立即领券
复制优惠
手机淘宝扫码领券购买
商品详情
特别推荐
Mistine蓝盾金盾混干油皮粉底液
原价¥89
3000
件
32元券
¥
57
斜月三星珊瑚绒毛巾比纯棉柔软吸水速干柔软舒适亲肤
原价¥19.8
3万
件
10元券
¥
9.8
蓬松生活纯棉洗脸巾一次性壁挂式
原价¥19.9
57
件
9元券
¥
10.9
启初冬日防皴婴儿面霜
原价¥26.4
3万
件
1元券
¥
25.4
乐佳善优宝宝幼儿专用DHA海藻油
原价¥199
8000
件
40元券
¥
159
蒂佳婷V7发光面霜素颜霜妆养合一
原价¥139
3万
件
30元券
¥
109
【正品保真】泸州老酒坊红耀 52度500ml双瓶浓香型白酒过年送礼
原价¥600
8
件
311元券
¥
289
玫珂菲油皮控油定妆持妆喷雾
原价¥290
0
件
159元券
¥
131
【抢双11现货】德妃紫苏舒缓修护水乳套装面霜精华舒缓修护保湿
原价¥319
1000
件
13元券
¥
306
【支持试用】厨房重油清洁
原价¥26.9
37
件
10元券
¥
16.9
毓婷私处洗护液女生私密护理液女性日常清洁私处清洗液蔓越莓乳酸
原价¥69.9
6000
件
40元券
¥
29.9
【桃气系列】ZEESEA滋色隔离霜全新素颜霜打底妆前乳官方正品
原价¥115
8000
件
58元券
¥
57